Im vorherigen Artikel haben wir kurz erörtert, was Kopplungen sind. In diesem Artikel erklärt Maxwell weiterhin, wie man Kopplungen ausrichtet.
Aus Sicht der Baugruppe ist es bei der Installation einer Kupplung von entscheidender Bedeutung, um sicherzustellen, dass beide Wellen horizontal ausgerichtet sind. Dies gewährleistet einen reibungslosen und zuverlässigen Maschinenbetrieb. Andernfalls können Schwingung, Lärm und vorzeitige Lagerschäden auftreten, was die Lebensdauer der Maschine ernsthaft beeinflusst.
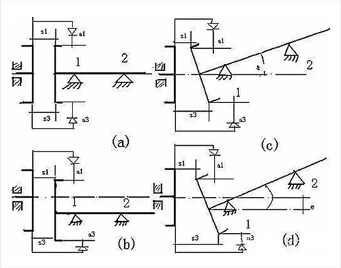
一 Lassen Sie uns zunächst die Fehlausrichtung der beiden Wellen während der Kopplungsausrichtung analysieren.
Während der Installation können vier mögliche Kopplungsbedingungen auftreten: axiale oder radiale Fehlausrichtung oder Neigung. Wie in der Abbildung unten gezeigt:

Analyse der vier Fälle A, B, C und D in der obigen Abbildung

2,Messmethode der Kopplung aus Alignment
Bei der Installation von Geräten ist es im Allgemeinen erforderlich, zuerst das angetriebene Ende der Ausrüstung so zu installieren, dass sich die Achse in einer horizontalen Position befindet und dann den Antriebsmaschinen (Motor) installiert wird. Daher muss beim Ausrichten nur die Fahrmaschine angepasst werden. Wir müssen die Abweichung durch Messung und Berechnung analysieren und die Position des Wellenzentrums anpassen, um sowohl Konzentrik als auch Parallelität zwischen dem Antrieb und den angetriebenen Wellen zu erreichen.
Methode 1: Während der Kopplungsinstallation wird häufig eine einfache, aber begrenzte -} Genauigkeitsmessmethode verwendet. Diese Methode beruht in erster Linie auf einem quadratischen und Fühlermesser. Durch Messung der radialen Abweichung des Außendurchmessers der Kopplung an verschiedenen Stellen und der Kombination dieser Daten mit der axialen Clearance zwischen den Kopplungshälften werden umfassende Analysen und Anpassungen durchgeführt, um allmählich die Ausrichtung zwischen den beiden Wellen zu erreichen. Aufgrund seiner Einfachheit und Einfachheit des Betriebs eignet sich diese Methode für Installationen mit weniger strengen Anforderungen. Es sind jedoch schwere Ausrichtungsfehler zu vermeiden. Wie in der Abbildung unten gezeigt,
Diese Methode verwendet in erster Linie eine Lineal- und Fühlermesser.

Methode 2: Messung mit einer Zentrierkarten- und Fühlermessgeräte
Befestigen Sie beim Ausrichten einer Kopplung mit einer Zentrierkarten- und Fühlermesser die Zentrierungskarte zuerst auf einer Seite der Kupplung und stellen Sie die Fühlerschraube so ein, dass sie die Messfläche leicht auf der gegenüberliegenden Seite berührt. Verwenden Sie während der synchronen Kurze eine Fühlermesser, um die radialen und endenden Clearances bei 0 Grad, 90 Grad, 180 Grad und 270 Grad zu messen. Durch die Analyse der Clearance -Unterschiede an jedem Punkt kann die radiale und eckige Fehlausrichtung berechnet werden. Schließlich kann die Position der Wellenmitte genau durch Erhöhen oder Verringern der Dicke der Ankerscheiben des Motors eingestellt werden. Diese Methode ist einfach zu bedienen und bietet eine hohe Genauigkeit, sodass sie zum Ausrichten von Medium - Geschwindigkeits -Shafting -Systemen in Geräten wie Pumpen und Ventilatoren geeignet sind.

(a) Einstellbare zwei - Punktradklemme an der Kopplung mit einem Stahlband;
(b) non - einstellbare zwei - Punktradklemme zum Mess von Wellen;
(c) Einstellbare zwei - Punktradklemme zur Messung der Zahnradkupplungen;
(d) Einstellbare zwei - Punktradklemme, die direkt an der Kopplung mit Schrauben befestigt ist;
(e) Einstellbare Single - Punktradklemme für Kopplungen mit glatten zylindrischen Oberflächen;
(f) Einstellbare zwei - Punktradklemme für Kopplungen mit glatten zylindrischen Oberflächen.
Methode 3: Zifferblattanzeigemethode
Dies ist die professionellste und am häufigsten verwendete Methode. Es verwendet zwei (oder drei) Zifferblattindikatoren, um gleichzeitig radialen und eckigen Runout zu messen und eine extrem hohe Genauigkeit zu bieten.
Werkzeuge:
• Zwei Zifferblattanzeigen (oder ein Zifferblattanzeigen und ein Mikrometer) und ein Ständer
• Magnetische Basis
• Fühlermessgeräte (zur Erstanpassung)
Schritte:
1. Installieren Sie den Ständer: Befestigen Sie den Stand mit einer Kopplung (normalerweise den Motor - Seitenkupplung).
2. Installieren Sie die Messgeräte:
o Radialanzeige: Platzieren Sie die Dial -Anzeigelsonde senkrecht gegen den äußeren Durchmesser der anderen Kopplung, um den radialen Runout zu messen.
o Axial Anzeige: Platzieren Sie die Sonde des anderen Zifferblattanzeigens senkrecht zur Endfläche der anderen Kopplung, um den Winkel -Runout zu messen.
o (Hinweis: Um eine genaue Messung sicherzustellen, sollten die Sonden senkrecht zu den gemessenen Oberflächen und vor - für einen bestimmten Abstand komprimiert sein.)
3. Markieren Sie einen Referenzpunkt: Zeichnen Sie eine Referenzlinie an beiden Kopplungen, um als Startpunkt der 0 Gradmessung zu dienen.
4. Messung drehen:
o Drehen Sie die beiden Wellen langsam und gleichmäßig synchron (drehen) und zeichnen alle 90 Grad auf (dh bei 0 Grad, 90 Grad, 180 Grad und 270 Grad).
o Der Unterschied in den Lesungen von Radialmessungen an diesen vier Punkten spiegelt eine radiale Fehlausrichtung wider.
o Der Unterschied in den Lesungen von Axialmessungen an diesen vier Punkten spiegelt die winkelige Fehlausrichtung wider.
5. Berechnung und Anpassung:
o Basierend auf den aufgezeichneten Daten berechnen Sie die erforderliche Scheibedicke (für die Höhenanpassung) und die horizontale Bewegung (für die rechte Einstellung von links -) am Motorfuß.
o Folgen Sie dem Einstellungsprinzip: "Lösen Sie dort, wo festgezogen wird" oder "Hinzufügen, wo hinzugefügt wurde, wo hinzugefügt wurde." Wenn der vordere Fuß des Motors beispielsweise 0,10 mm angehoben werden muss, fügen Sie einen 0,10 -mm -Schim unter dem vorderen Fuß hinzu.
6. Anziehen und endgültige Überprüfung: Nach Einstellung die Ankerschrauben leicht festziehen und erneut messen, bis die Abweichung innerhalb der zulässigen Toleranz liegt (Toleranzwerte werden normalerweise vom Gerätehersteller bereitgestellt). Ziehen Sie schließlich alle Schrauben fest und führen Sie einen endgültigen Scheck aus.

Doppelmessmessmethode

Drei - Messmethode
3, allgemeine Anforderungen für die Kopplung ausgerichtet
1. Vor der Installation:
1) Der Motor muss unter no - Lastbedingungen von einem Elektroingenieur getestet werden und muss den Test bestehen, bevor die Kopplungsausrichtung zulässig ist.
2) Die Anwendung, die Geschwindigkeit, die Kopplungstyp und die Konzernitätstoleranz müssen im Voraus verstanden werden (siehe Toleranztabelle der Konzernität). Bei Kupplungen, die nicht mit einem Magnetmesshalter montiert werden können, sollten im Voraus ein Spezialmesserhalter und Clips vorbereitet werden, damit sie während der Kupplungsausrichtung an der Innengetriebe des Kopplings oder der Motorwelle befestigt werden können.
2. Zentrierinstrumente und -werkzeuge vorbereiten: Zifferblattanzeige, Magnet -Zifferblatt -Anzeigehalter, Stahllineer, Vernier -Bremssattel, Fühlermessgeräte, Spirit -Level, Vorschlaghammer, Handhammer, Breche, verstellbarer Schraubenschlüssel, flacher Schraubenschlüssel, Taschenrechner und Notebook.
3. Pre - Kopplungs -Alignment -Inspektionen:
1) Schrauben auf dem Lagersitz und dem Grundplan müssen angezogen werden.
3) Überprüfen Sie den Kontakt der losen Ankerschrauben auf eine Warping.
4) Verwenden Sie eine Zifferblattanzeige, um den radialen und axialen Lauf der Kupplung zu messen. Der Runout -Wert sollte 0,5 mm nicht überschreiten.
5) Der Motor sollte unter nein - Lastbedingungen von einem Elektroingenieur getestet werden und muss den Test bestehen, bevor die Kopplungsausrichtungsarbeiten zulässig sind.







